Contacto
Series
2.2409

Elementos de sujeción en forma de cuña para borde de sujeción inclinado

doble efecto, fuerza de sujeción máx. de 100 hasta 630 kN
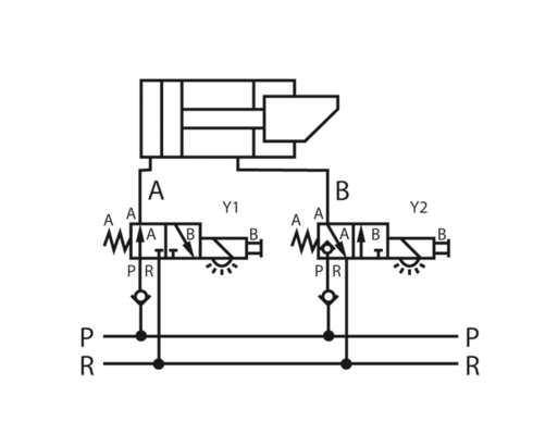
con control individual por válvulas
Elementos de sujeción en forma de cuña para borde de sujeción inclinado
Descargas
Hoja del catálogo
Instrucciones de servicio
Informaciones de la serie
Descripción
2.2409 Elementos de sujeción en forma de cuña para borde de sujeción inclinado

con control individual por válvulas 
con válvulas distribuidoras de asiento adosadas en la parte posterior como válvulas de control para el control separado de todos los elementos de sujeción.
Ventajas particulares:

  • el control de cada elemento puede realizarse individualmente
  • es posible el blocaje de estampas individuales
  • reducido gasto de instalación gracias a la utilización de una tubería hidráulica anular enchufable
  • la utilización de sistemas BUS es posible
  • elevada fiabilidad funcional gracias a un control de posición integrado y válvulas antirretorno

sobre demanda, disponible con escalón de seguridad

  • elemento de sujeción robusto con elevado estándar de seguridad y prolongada vida útil
Elemento de sujeción en forma de cuña 2.2409 con control individual por válvulas
Elemento de sujeción en forma de cuña 2.2409 con control individual por válvulas
2.2409 Control individual por válvulas
2.2409 Control individual por válvulas